We’d like to remind Forumites to please avoid political debate on the Forum.
This is to keep it a safe and useful space for MoneySaving discussions. Threads that are – or become – political in nature may be removed in line with the Forum’s rules. Thank you for your understanding.
The MSE Forum Team would like to wish you all a Merry Christmas. However, we know this time of year can be difficult for some. If you're struggling during the festive period, here's a list of organisations that might be able to help
📨 Have you signed up to the Forum's new Email Digest yet? Get a selection of trending threads sent straight to your inbox daily, weekly or monthly!
Has MSE helped you to save or reclaim money this year? Share your 2025 MoneySaving success stories!
Electrician says new meter needed... British Gas say we don't - help please!
Comments
-
Afternoon everyone.
Thank you for the many comments!
Quite right, it is a QM100 night storage heater - not a DM ... Slip of my mental finger there.
We have an electricity only house so no gas heating.
Our house heating is many small plug panel and free standing wall heaters we have bought ourselves.
We also have a coal open fire.
We only need one of these night storage heaters to make us legal for the EPC rating so that's what they're doing. I'm fine with just the one.
You've all got me wondering now if I'm going completely batty.
It makes sense for it to be wired into the consumer unit not the actual meter.
The electrician has put in a box next to the consumer unit and left the 'tails' to be wired in - so where would these go to?
The consumer unit?
I wish I could post a photo but I can't from this phone.
We are at home all day so the increased cost of daytime electricity is going to make things expensive anyway.
All for a heater we may never use! It's just for the EPC which is very very low.
Once the extra loft insulation goes in we will be ok.** Freebies and money saved with the help of you all? - Don't know ....lost count! **** Stay Safe **0 -
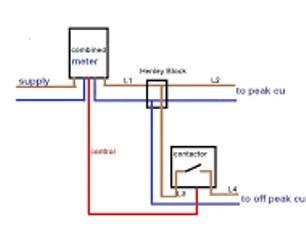
The "normal" way used to be something like this:

That needs a 5 connection meter, which it seems you don't have. The left-hand consumer unit is always on, and the right-hand consumer unit is only turned on at off-peak times. Your heater would connect to the right-hand consumer unit.
A newer version is like this:
That's your meter at the top left, with the normal wires coming out of it and going to your consumer unit to the right. The box at the bottom is a switch, controlled by a small wire coming from your meter (the red one), so it only turns on at off-peak times. The wires coming out of the switch would either go to another consumer unit (like the right-hand one above) or straight to the heater (if you only had one thing you ever wanted to use off-peak).
The box your electrician has left you with might be the switch, might be the off-peak consumer unit, or might be the junction in between (the Henley Block). Or it might be none of those. Difficult to know without photos or diagrams unfortunately.
Other ways of doing it exist, but those two pictures are the most common ways. You could have a timer rather than use the red wire and switch, you could just have everything able to be turned on all the time and rely on the controls on the appliances, some had a radio-controlled switch not one with a wire from the meter....
1 -
It sounds like your electrician is probably expecting a 5 port or 4 port with auxiliary contactor circuit - to drive both a restricted off peak supply - only live 7 hours a night normally - to a new Consumer unit for NSH - as well as a live supply to the NSH. As per schematics aboveThe problem is that E7 itself is just a tariff as far as some in BG customer services will be concerned - and not alll homes with E7 have that concept of seperate restricted time (live only during tariff off peak period) circuits - and E7 will operate on a simple 4 port meter with no concept of ALCS - with only 1 24/7 live output - and so where devices would need own timers fitter.If you get the exact meter type preference from your electrician - and talk - maybe though a supervisor - at BG - they may well be able to fit the right sort of meter to match preprared wiring - but beware - they may well say they expect your wiring to match meters and not vice versa.Can you contact their meter fitting team directly - they are more likely to understand the electricians prepared setup - so meter required - assuming BG do them - than many in CS ?An alternative would be the landlords electrician fittnig his own auxiliary contactor and timer switch to drive it.But if all else fails - the QM 100 is from memory capable of single wired operation without any meter alcs.But as @EssexHebridean anything but relying on a matched meter tariff and off peak load switch - a risk of charging at wrong rates.To match actual meter off peak register times (not just regional nominals in some cases) - and most likely changed - depending on meter and heater options - to track GMT / DST switching - in spring / autumn.1
-
The QM 100 is from posts here one of the better modern storage heaters - several posters here have posted positive comments on them - there is a wireless linked version as well - the QM100RF - both are High Heat Retention NSH panels - so pretty good at retaining - then delivering heat only when demanded based on a programmable thermostat controller.So will deliver heat throughout day - if rated for room size and losses.They are chalk and cheese from old manual dial storage heaters in terms of controllability and have adpative charging to match actual energy demand (no constant fiddling with input / output dials as weather varies).But longer term you do need to keep an eye on balance of power use - you need typically say 35-40% (varies beyond that at some suppliers in some regions) of total electric kWh at night rate for E7 to be worthwhile vs single rate.The QM100 can take as much as c15.4kWh on E7 (7x2.2kW) - but don't be frightened by that - it will take far less on a daily basis if it doesn't need it - to deliver your demanded temperature profile.But you could compare that sort of max to your typical heating use using conventional heating in winter - to see how much might shift to off peak in a cold snap.I use 3 NSH in LR + 2 halls, to heat them and my 2 bedrooms, kitchen / bathroom - the later 4 have own heaters - but they see no / little use (bathroom fan for 5-10min as dry after shower if feel really cold)Achieving the 35-40% +/- will be far easier with off peak charging of NSH rather than a conventional 24/7 panel and hopefully similar timed heating of any hot water tank.If in end if for you the E7 isn't cheaper then many suppliers will revert it back to single rate billing (just as a coutesy keep landlord in loop) - then the QM100 can act as a low powered fan heater off 24/7 live supply if dual wired (rated = 0.88kW) if required1
-
Hi - in non-techie terms, in an Economy 7 set up, you get 7 hours at night when the electricity is cheaper but in return you pay more during the day. Two things need to happen for it all to work...1. The meter needs to record how much electricity you use at night and how much during the day. You used to need a special Economy 7 meter to do this bit, but if you have a smart meter then you don't need a special meter - all smart meters can do this.2. Something needs to tell the storage heaters and/or immersion (water) heater when to switch on and off to make sure they use the cheap night rate electricity. Dedicated Economy 7 meters (or some smart meters which have a 5th wire) can do this but too. This is the bog-standard, traditional way of doing things. But if you don't have one of these special meters you can still get things to work by using either a timer in the storage heater itself, or an external timeswitch. This is all well known and ( providing your electrician doesn't arrive riding a horse in which case you should be suspicious
) easy enough to connect in and set up. The Dimplex Quantum storage heaters are very common and I would expect any electrician to have come across them and set them up, so no problem there.The important thing to know is that if you don't have a dedicated Economy 7 meter, it's very important to set the on/off times correctly on the storage heater to make sure they use the cheap rate electricity properly. The electrician should do this and be able to show you this when the heater is installed, but if not you can easily find an instruction manual online or post back here and someone can help you.Having said all that, it sounds like your landlord is installing the heater just to tick a box in whatever regulations now apply to renting, and it may not be in your best interests to actually use it. If you swap to Economy 7 you'll be paying more for your other heaters during the day and that might outweigh any advanatge to using the new heater and doing other things (like water heating and setting the washing machine / dishwasher to come on overnight).What's best for you is quite a big question to answer and the devil is in the detail. In simple terms if the new heater on it's own is centrally placed and big enough in relation to the size of the property to keep things warm with minimal use then Economy 7 is likely to work out well, but if you still end up with using the other heaters a lot then it could well end up costing you more.3 -
Once you are switched to E7 then it's well worth while looking at the small lifestyle changes you can make to get the benefit of as much use as possible on the off-peak rate. Running the immersion heater overnight and switching it off during the day is a no-brainer, but also things like using a slow-cooker overnight for batch cooking, laundry and using the dishwasher too...of course it should go without saying that more than ever if doing those things, you have a working and regularly checked smoke alarm(s). Personally if using a tumble dryer on the off-peak rate I would also ensure that it runs at the very end of the night when you are likely to be in a lighter sleep as well. We also used to make sure that o weekdays at least we were in the shower during the off-peak rate too - that meant substantial savings.🎉 MORTGAGE FREE (First time!) 30/09/2016 🎉 And now we go again…New mortgage taken 01/09/23 🏡
Balance as at 01/09/23 = £115,000.00 Balance as at 31/12/23 = £112,000.00
Balance as at 31/08/24 = £105,400.00 Balance as at 31/12/24 = £102,500.00
Balance as at 31/08/25 = £ 95,450.00
£100k barrier broken 1/4/25SOA CALCULATOR (for DFW newbies): SOA Calculatorshe/her2 -
There have been some very good comprehensive replies here but I don't think it has been made explicit that with a smart meter you should be able to change tariffs between an Economy 7 tariff and one that isn't. So if you manage to get your storage heater wired-in but then find that you're not using a sufficient proportion of Economy 7 electricity to make it financially worthwhile, then you can switch back to a single rate tariff.Reed3
-
Thank you!
There are so many knowledgeable people here and a lot of this is going over my head.
I'm trying to share a photo of the set up so you can all see but I'm not managing it on my phone.** Freebies and money saved with the help of you all? - Don't know ....lost count! **** Stay Safe **0 -
The only item that will be on the E7 will be this one heater. Nothing else so I won't benefit very much at all.** Freebies and money saved with the help of you all? - Don't know ....lost count! **** Stay Safe **0
-

My first guess - you're missing a Henley block.
Although that probably depends on what's inside the white box (I'm assuming just a circuit breaker) and where some of the other wires go.1
Confirm your email address to Create Threads and Reply
Categories
- All Categories
- 352.9K Banking & Borrowing
- 253.9K Reduce Debt & Boost Income
- 454.7K Spending & Discounts
- 246K Work, Benefits & Business
- 602.1K Mortgages, Homes & Bills
- 177.8K Life & Family
- 259.9K Travel & Transport
- 1.5M Hobbies & Leisure
- 16K Discuss & Feedback
- 37.7K Read-Only Boards

